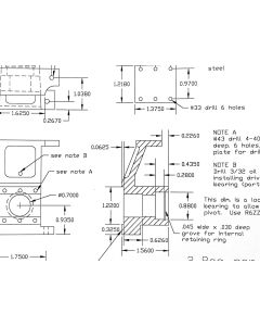
Drawings

Drawings for Allen Models locomotives, stand-alone parts and accessories. Drawings for each locomotive are also located in each locomotive's section on the website.
All complete drawing sets (except the Shay which is already priced lower) are on sale for $150.00 from August 22, 2023 through September 31, 2023!


















